STRUCTURAL DETAILS

REINFORCEMENT DETAILS
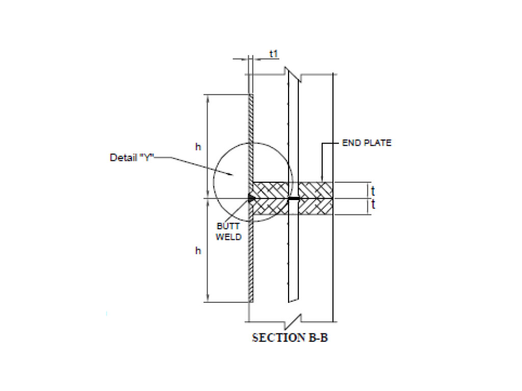
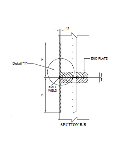
WELDED JOINT DETAILS
WELDED JOINT DETAILS

Details at Pile Jointing

PILE SIZE Dia. (mm) End Plate Steel Brand
Thickness(mm) Throat(mm) Root(mm) Thickness(mm) Height(mm)
t a b c t1 h
250 12 9 5.1 1.5 1.6 50
300 12 9 5.1 1.5 1.6 50
350 12/15 9/12 5.1/6.3 1.5 1.6 50
400 15 12 6.3 1.5 1.6 50
450 15 12 6.3 1.5 1.6 75
500 16 12 6.3 1.5 1.6 75
600 16 12 6.3 1.5 2.0 75
700 19 14 8 2.0 6 150
800 19 14 8 2.0 6 150
900 19 14 8 2.0 6 150
1000 19 14 8 2.0 6 150

Notes

1. The piles are designed to comply generally with;

  • a) MS 1314:Part 4:2004(Precast Concrete Piles)
  • b) BS 8110(Structural use of Concrete)
  • c) JIS A5373 (Precast Prestressed Concrete Products)

2. All dimensions in "mm".

3. All welding shall be in accordance to BS 5135;

  • a) Electrodes use shall comply with BS 639
  • b) For first run of welding diameter 2.6mm electrodes is recommended